LEAD STRIP CASTING TECHNOLOGY
The technology incorporated in the Hazelett twin-belt lead strip casting machine has evolved over decades of innovative engineering and design in our shops and in those of our partners where casting trials are conducted. Each new casting machine incorporates the latest mechanical, electrical, and process improvements and delivers ever-increasing production volumes and product quality.
Hazelett twin-belt caster for lead - core machine
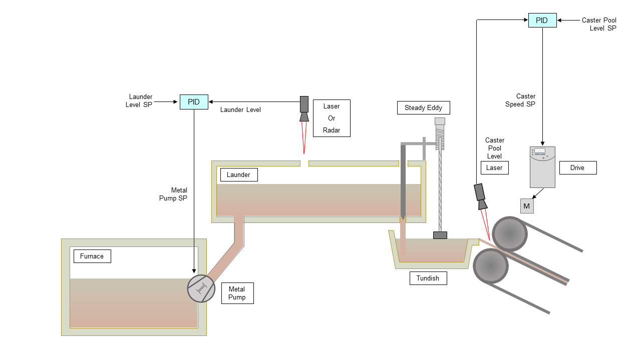
Open Pool Feeding
Open pool feeding is used when casting lead strip. In this case, the upper belt pulley is offset downstream. Metal is pumped from a pot (furnace) into the launder and then proceeds into the tundish through an orifice opened by a float device, establishing a simple tundish level control mechanism. Metal then flows through the open tundish and through a closed snout into a standing pool of molten metal formed at the convergence of the belts. The level of this standing pool is regulated in this open pool feeding system by means of a laser caster pool level sensor signal that controls the speed of the casting belts. As the pool level decreases from setpoint, the system will slightly decrease the speed of the casting belts to allow the molten pool level meniscus to rise towards the setpoint.
Open pool feeding of metal onto offset nip pulleys
MOLD interface
Cast metal solidifies on the Matrix™ coated belt forming a shell
Molten metal solidifies adjacent to the belts, forming a shell that encloses a liquid sump as the slab proceeds down the mold. Solidification is normally complete approximately 70% to 80% down the mold length. The critical area of the mold is the interface between the solidifying metal and the moving, water-cooled belts.
The key components of the mold interface include the permanent, ceramic-based belt Matrix™ coating topography.
Matrix™ Coating
The Matrix™ or textured coating is thermally or plasma sprayed onto the belt surface, which has been grit blasted to a specific topography. Various powders are blended and applied at the appropriate thickness to achieve the desired thermal transfer characteristics according to the alloy to be cast. By controlling the bond strength, an extremely wear-resistant coating is produced.
